Overview:
CUni360S-Z is an information security chip applicable to contact IC and magnetic strip cards It is designed based on the 32-bit security CPU CS0 with independent intellectual property rights. CUni360S-Z is distinguished by low power consumption, high performance, multifunction and high security level. It can be widely used in POS machines, dual-interface card readers, dynamic QR code terminals, and other fields. The chip’s typical operating frequency is 60MHz.

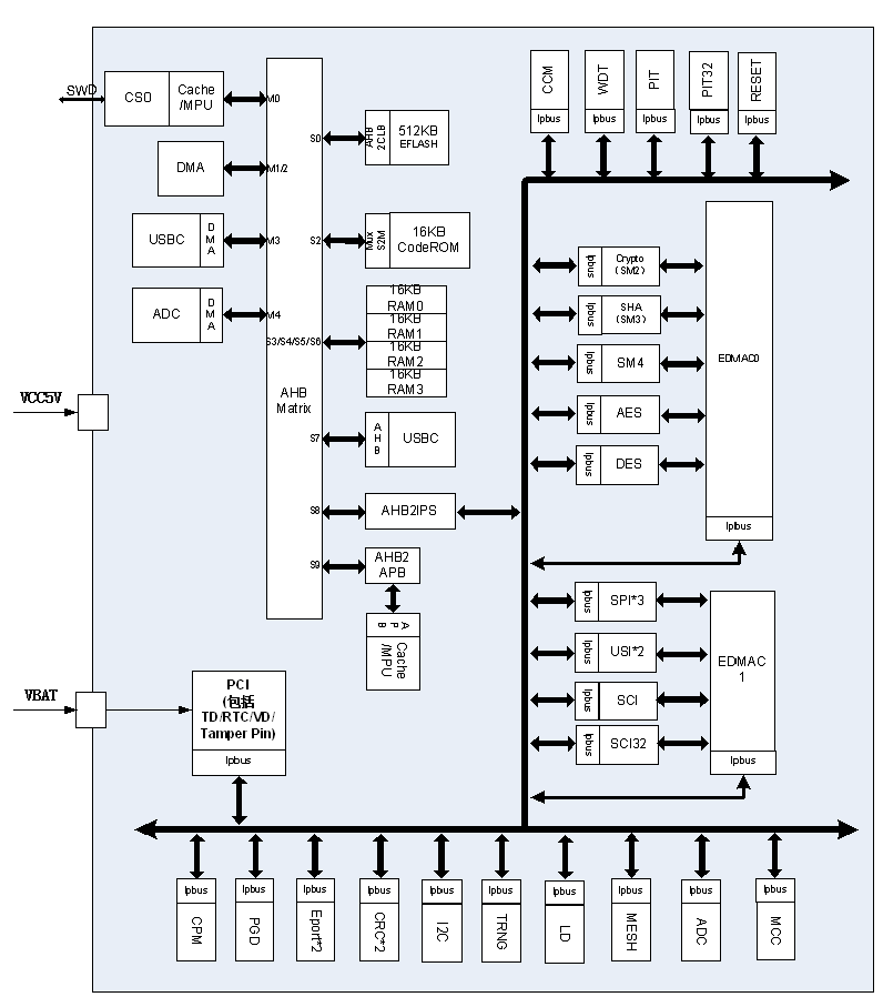
Block diagram of CUni360S-Z
Package Type
| Pin | Package type and pin assignment(mm) | |
QFN40(5*5) | QFN76(9*9) | |
SPI(multiplexed) | 2 | 3 |
I2C | 1 | 1 |
SSI | 2 | 1 |
SCI | 2 | 2 |
ISO7816 | 0 | 2 |
USB | 1 | 1 |
ADC(multiplexed) | 0 | 3 |
PWM(multiplexed) | 3 | 4 |
MCC | 0 | 1 |
EPORT(multiplexed) | 6 | 16 |
SDIO(tamper-resistant) | 4 | 8 |
? 64K bytes of SRAM
? 16K bytes of ROM
? 512K bytes of EFLASH. 512 bytes/Page, minimum 100,000 erase cycles
? 32-bit low-power RISC core with highly optimized 3-stage pipeline
? Supporting byte, half-word, and word memory access
? Supporting interrupt nesting
? Supporting single-cycle 32-bit x 32-bit hardware integer multiplier array, 3 to13 cycle hardware integer frequency divider array
? Memory protection unit (MPU)
? Low power consumption and high performance
? Supporting Cache
? Timing module EPT
? DMA/EDMA
? 2 timers(PIT)
? Watchdog(WDT)
? Real-time clock(RTC)
? Time counter(TC)
? 1024bit RSA@60MHz
? 2048bit RSA@60MHz
? 256bit SM2 prime field @60MHz
? DES/3DES supports ECB/CBC mode
? AES supports ECB/CBC/CTR mode
? SM4 supports ECB/CBC mode
? SM3
? SHA-0/ SHA-1/ SHA-224/ SHA-256/ SHA-384/ SHA-512
? Supporting CRC32/ CRC16/ CRC8
? Supporting DMAC operation
? Application-oriented memory partitioning with hardware support for secure isolation
? Scrambling bus
? True random number generator, compliant with FIPS 140-2 standards and national commercial cryptographystandards
? Voltage detection unit
? Light detection unit
? Power supply burr detection unit
? Metal shielding protection
? Temperature detection unit
? Frequency detection unit
? Clock and reset pulse filtering
? Optimizing wire routing for security
? Supporting 128 Byte NVSRAM
? Supporting 4 pairs of decapsulation signals, configured with dynamic/static detection mode
? Supporting voltage detection
? Supporting temperature detection
? Supporting self-destruct and clear NVSRAM
? Unique serial number for each product
? Main power input voltage: 2.5V~5.5V, PCI field input voltage: 1.9V~3.62V
? ypical power consumption: 20mA @ 60MHz
? Low-power sleep mode: less than 50uA
? ESD (HBM): 2500V
? Supporting internal power-on reset and external reset
? Level II of security chip for commercial crypto product certification
? EAL4+ of China Cybersecurity Review Technology and Certification Center
? Terminal Chip Security Assessment (compliant with PCI 5.1)

? Dual-interface card reader
? POS
? Personal payment terminal
? ID card reader
? Dynamic QR code terminal

? Complete development environment
? Rich driver libraries
? Complete application solutions